GF型叶轮给料机是火力发电厂储仓式制粉系统供给锅炉燃料的主要设备,用它把煤粉连续、均匀地送入一次风管,吹进锅炉燃烧。靠它调节给粉量来控制锅炉温度和压力,从而保证要求的锅炉出力。
叶轮给料机的出力是按一定的容积比重确定的。因此,对于建材、冶金、化工、民用等部分的制粉系统,也要根据技术性能广为选用。
![]()

主要技术参数:
|
GF-1.5 |
GF-3 |
GF-6 |
GF-9 |
GF-12 |
GF-15 |
|||
|
额定出力(t/h) |
0.5-1.5 |
1-3 |
2-6 |
3-9 |
4-12 |
5-15 |
|||
|
设计选用煤比重(t/m3) |
0.65 |
||||||||
|
叶轮直径(mm) |
Φ313 |
Φ386 |
|||||||
|
叶轮齿数(齿) |
12 |
||||||||
|
额定主轴转数(r.p.m) |
9-40 |
21-81 |
21-81 |
||||||
|
传动比(i) |
1:27 |
1:13.5 |
1:13.5 |
||||||
|
外形尺寸(mm) |
807×984×1158 |
989×1213×1340 |
|||||||
|
总重(不计电机)(kg) |
354 | 480 | |||||||
|
名 称 |
电磁调速异步电动机 |
|
型 号
功 率(kw) 转 数(rpm) 电 压(V)
重 量(kg) |
JZTy-31-4
2.2 120-1200 220/380
140 |
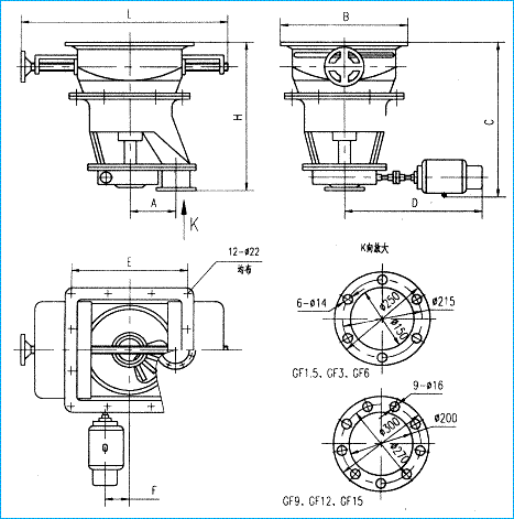
GF型叶轮给粉机是一种定量给粉设备。给粉量的调节是靠改变电磁调速异步电动机的转数来达到的。变速系统是由一级蜗轮与蜗杆付构成的。如图1所示:
当变速时由蜗杆付通过安装在同一主轴上的刮板,供给叶轮和测量叶轮带着煤粉在供给叶轮壳内转180°到供给叶轮壳缺口处,落到测量叶轮内的齿槽,测量叶轮再转180°又把煤粉带到下部体内的缺口处煤粉即落入出粉管中,按此过程就达到连续、均匀给粉和防止停机时煤粉自流的目的。
外形尺寸:

|
型 号 |
出力(t/h) |
A |
B |
C |
D |
E |
F |
L |
H |
|
GF-1.5 |
0.5-1.5 |
235 |
569×560 |
807 |
878 |
510(170×3) |
92.5 |
984 |
687 |
|
GF-3 |
1-3 |
||||||||
|
GF-6 |
2-6 |
||||||||
|
GF-9 |
3-9 |
278 |
670×670 |
989 |
612(204×3) |
1340 |
939 |
||
|
GF-12 |
4-12 |
||||||||
|
GF-15 |
5-15 |
1.本机配套供应JZTy-31-4型交流电磁调速异步电动机。对控制设备的配套数量和类型,需在订合同时商定。
2.本机也适用于ZT2-52型直流电动机,需用时,可另行商定。

南通康诚重工机械有限公司司座落在浩瀚的长江入海口北侧、绿茵如毯的江海平原上,东临黄海,南达沪杭,西通宁扬,北接盐阜、扼守苏中交通与中国最大的工业城——上海隔江相望,距大型港口城市——南通仅70余公里。境内新长铁路、宁启铁路、204国道、328国道纵横交 汇,交通条件极为便捷。公司内环境优雅、花木宜人,花园般的厂区 环境让人心旷神怡

南通康诚重工机械有限公司主要生产各种规格的矿山机械、输送机械、振动输送机 、振动给料机 、振动筛分机、仓壁振动器、板式给料机等等,公司拥有先进的设备,优秀的技术。公司经过改制、重组后,积极建立、健全和完善现代企业制度,逐步形成了一套有效、高效的运 行机制和管理模式,企业正以全新的面貌谱写康诚发展征程上新的华章。公司一直致力于产品结构的调整优化 。
高品质的产品使南通康诚重工机械有限公司赢得了较好的市场信誉。目前,康诚机械正以体制股份化、制度规范化、运营科学化、管理现代化企业的行列;正以雄厚的实力、先进的产品、多样的品类、优质的工艺在国内同行业中异军突起,好评不断!

南通康诚重工机械有限公司
销售热线:0513-80686000
电话:0513-88773999
传真:0513-80686060
邮箱:info@fanghuajixie.com
地址:江苏省海安县开发区南海大道(东)8号
- 叶轮给料机
- 叶轮给料机的出力是按一定的容积比重确定的。因此对于建材、冶金、化工、民用等部门的制粉系统,也可根据技术性能广为选用,欢迎订货。

- 叶轮给料机(GF型)
- 叶轮给料机的出力是按一定的容积比重确定的。因此,对于建材、冶金、化工、民用等部分的制粉系统,也要根据技术性能广为选用。
相关资讯

- 与著名歌唱家宋祖英合影
- 与著名歌唱家宋祖英合影

- 到北京参加活动
- 到北京参加活动

- 与毛泽东饰演者合影
- 与毛泽东饰演者合影

- 参加著名书法家的书法展
- 参加著名书法家的书法展

- 与周恩来扮演着合影
- 与周恩来扮演着合影

- 接受央视著名主持人朱军的采访
- 接受央视著名主持人朱军的采访

- 书法展
- 书法展

- 与书法家协会主席研讨
- 与书法家协会主席研
给料机
- 中型板式给料机
- 轻型板式给料机
- 重型板式给料机
- 板式喂料机
- 星型卸料器
- 星型给料器
- 刮板给煤机
- 全封闭给煤机
- 座式圆盘给料机
- 链式给煤机
- 螺旋分料器
- 双螺旋给料机
- 叶轮给煤机
- 星型给料机
- 皮带给煤机
- 电磁电机振动给料机.
- 电机振动给料机
- 微型电振给料机
- 同步惯性给料机
- 振动放矿机(ZZF)
- 往复式给煤机(K型)
- 电磁振动给煤机(ZG)
- 宽槽型振动给煤机(GZGKM)
- 振动给煤机(GZGM-K)
- 圆盘给料机(DK、DB型)
- 刚性叶轮式给料机(GY型)
- 叶轮给料机(GF型)
- 回转下料器(星形卸灰阀)
- 惯性振动给料斗(GD)
- 微型电磁振动喂料机(GZV)
- 电磁振动给料机(DMA)
- 电磁振动给料机(GZ)
- 共振式隔爆给料机(XJG)
- 自同步惯性振动给料机
- 振动喂料机(ZSW)
- 振动喂料机(GZD)
- 槽式给料机
给料机
- 中型板式给料机
- 轻型板式给料机
- 重型板式给料机
- 板式喂料机
- 星型卸料器
- 星型给料器
- 刮板给煤机
- 全封闭给煤机
- 座式圆盘给料机
- 链式给煤机
- 螺旋分料器
- 双螺旋给料机
- 叶轮给煤机
- 星型给料机
- 皮带给煤机
- 电磁电机振动给料机.
- 电机振动给料机
- 微型电振给料机
- 同步惯性给料机
- 振动放矿机(ZZF)
- 往复式给煤机(K型)
- 电磁振动给煤机(ZG)
- 宽槽型振动给煤机(GZGKM)
- 振动给煤机(GZGM-K)
- 圆盘给料机(DK、DB型)
- 刚性叶轮式给料机(GY型)
- 叶轮给料机(GF型)
- 回转下料器(星形卸灰阀)
- 惯性振动给料斗(GD)
- 微型电磁振动喂料机(GZV)
- 电磁振动给料机(DMA)
- 电磁振动给料机(GZ)
- 共振式隔爆给料机(XJG)
- 自同步惯性振动给料机
- 振动喂料机(ZSW)
- 振动喂料机(GZD)
- 槽式给料机
输送机
- 斗式提升机
- 螺旋传输机
- 可弯曲刮板输送机
- 粉料螺旋输送机
- 有轴螺旋输送机
- 空气输送斜槽(XZ型)
- 多底板往复式输送机
- 圆管带式输送机
- 惯性振动输送机
- 惯性振动热料输送机(SZF型)
- 电机振动输送机(DZS型)
- 垂直振动输送机(ZC)
- 螺旋输送机(GLS型)
- 螺旋输送机(GX、LS型)
- 链式输送机(FU型)
- 座式电磁振动输送机
- 管式电磁振动输送机(GZXG)
- 曲柄振动输送机(ZPL型)
- 带式输送机(TD75)
振动筛
破碎机
砂石生产线
- 制砂机生产线
- 细碎制砂机
- 碎石机械
- 碎石机生产线(碎石生产线)
- 石英石制砂机
- 青石制砂机
- 破碎机生产线
- 机制砂石设备
- 河卵石制砂机
- 复合式制砂机
- 鹅卵石制砂机
- 锤式打砂机
- 冲击式石头制砂机(冲击式制砂机)
- 碎石生产设备
- 碎石破碎机
- 石料破碎设备
- 矿山破碎设备
- 石子粉碎机
- 石头粉碎机
- 石料破碎
振动电机
其他设备
电话:0513-80686000
0513-88773999
传真:0513-80686060
邮箱:info@fanghuajixie.com
地址:江苏省海安县开发区南海大道(东)8号

.jpg)
.png)
.jpg)


.jpg)