当前位置: 南通康诚重工机械有限公司 >> 产品中心 >> 给料机 >> 电磁振动给料机(GZ)
电磁振动给料机(GZ)

电磁振动给料机广泛使用在冶金、煤炭、电子、机械、化工、建材、轻工、粮食等工矿企业中,在生产流程中,用于反块状、颗粒状、粉状物料从贮料仓或漏斗中定量、均匀、连续地给到受料装置中去。
      特点:    (1)电磁振动给料机电气控制采用可控硅半波整流线路。可无级调节给料量,可用于自动控制的生产流程中,实现生产自动化。    (2)无转动零部件,不需润滑,结构简单,维修方便。    (3)物料呈微抛运动,料槽磨损小。    (4)采用合金钢板制成的料槽,可适用输送高温、磨损严重及有腐蚀性的物料等。


 



 

类型 型号 生产率
(t/h)
给料粒度
(mm)
双振幅
(mm)
振动频率
(次/分)
供电电压(V) 电流(A) 有功功率
(KW)
重量
(kg)
水平 -100 工作电流 表示电流
基本型
GZ1
5
7
50
1.75
3000
220
1.34
1.0
0.06
77
GZ2
10
14
50
3.0
2.3
0.15
151
GZ3
25
35
75
4.6
3.8
0.20
233
GZ4
50
70
100
8.4
7.0
0.45
460
GZ5
100
140
150
12.7
10.6
0.65
668
GZ6
150
210
200
1.5
380
16.4
13.3
1.5
1271
GZ7
250
350
300
24.6
20
2.5
1920
GZ8
400
560
300
39.4
32
4.0
3040
GZ9
600
840
500
47.6
38.6
5.5
3750
GZ10
750
1050
500
39.4×2
32×2
4.0×2
6491
GZ11
1000
1400
500
47.6×2
38.6×2
5.5×2
7680
上振型
GZ3S
25
35
75
1.75
220
4.6
3.8
0.20
242
GZ4S
50
70
100
8.4
7.0
0.45
457
GZ5S
100
140
150
12.7
10.6
0.65
666
GZ6S
150
210
200
1.5
380
16.4
13.3
1.5
1246
GZ7S
250
350
250
24.6
20
2.5
1963
GZ8S
400
560
300
39.4
32
4.0
3306
封闭型
GZ1F
4
5.6
40
1.75
220
1.34
1.0
0.06
78
GZ2F
8
11.2
40
3.0
2.3
0.15
154
GZ3F
20
28
60
4.6
3.8
0.20
247
GZ4F
40
50
60
8.4
7.0
0.45
464
GZ5F
80
112
80
12.7
10.6
0.65
668
GZ6F
120
168
80
1.5
380
16.4
13.3
1.5
1278
轻槽型
GZ5Q
100
140
200
1.75
220
12.7
10.6
0.65
653
GZ6Q
150
200
250
1.5
380
16.4
13.3
1.5
1326
GZ7Q
250
350
300
24.6
20
2.5
1992
GZ8Q
400
560
350
39.4
32
4.0
3046
平槽型
GZ5P
50
140
100
1.75
220
12.7
10.6
0.65
633
GZ6P
75
210
300
1.5
380
16.4
13.3
1.5
1238
GZ7P
125
350
350
24.6
20
2.5
1858
宽槽型
GZ5K1
 
200
100
1.5
220
12.7×2
10.6×2
0.65×2
1212
GZ5K2
 
240
100
1343
GZ5K3
 
270
100
1376
GZ5K4
 
300
100
1408

[FS:PAGE]

设备选型
主要选型
类型 生产率计算容重(T/m3 用途
基本型 1.6 无特殊要求的物料给料
上振型 1.6 配置空间不免的情况安装使用,其它与基本型相同
封闭型 1.6 易碎颗粒、粉尘较大及挥发性物料给料
轻槽型 1.0 比重较小的轻物料给料
平槽型 按配煤和选煤条件给出 薄料层均匀给料
宽槽型 按配煤和选煤条件给出 主要用于选煤,亦可用于向筛分设备给料
     实际容重大于或小于上述计算容重时,生产率按实际物料容重进行换算。
    粒度小于1mm的物料,输送速度下降,含水量大于10%的潮湿粘性物料不能正常输送,料层厚度超过一定值,会妨碍正常给料,推荐H=(1/3-1/4)槽高。
    对有特殊要求、特殊规格的产品,我厂可专门设计制作
配套控制箱
给料机型号 普通控制箱型号 式样 稳幅控制箱型号 式样 给料机型号 普通控制箱型号 式样 稳幅控制箱型号 式样
GZ1 XKZ-5G2 挂式 ZWKX-I-I
ZWKX-5G2
台挂 GZ6,GZ7 XKZ-50G3 挂式 ZWKX-II-1
ZWKX-50G3
台挂
GZ2、GZ3 XKZ-10G2 挂式 ZWKX-I-1
ZWKX-10G2
台挂 GZ8,GZ9 XKZ-200G3 台式 ZWKX-II-2
ZWKX-200G3
台挂
          GZ10,GZ11 XKZ-20G3 台式 ZWKX-II-3
ZWKX-200G3
台挂
GZ4、GZ5 XKZ-20G2 挂式 ZWKX-I-3
ZWKX-20G2
台挂 GZ5K(1-4) XKZ-50G2 挂式    
外型尺寸
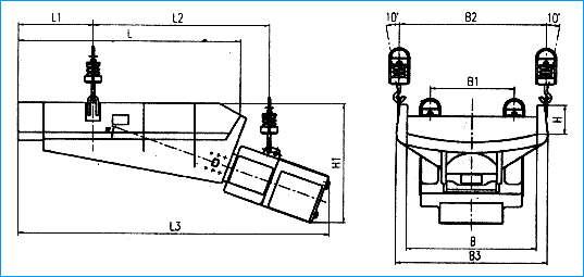
GZ1-GZ5基本型电磁振动给料机

 

型号 L L1 L2 L3 H H1 B B1 B2 B3
GZ1 600 209 550 910 100 360 200 280 340 376
GZ2 800 310 660 1175 120 450 300 388 458 508
GZ3 900 311 790 1325 150 520 400 496 542 578
GZ4 1100 413 965 1615 200 645 500 620 686 762
GZ5 1200 463 1050 1815 250 765 700 850 761 840

 

[FS:PAGE]

GZ6-GZ9基本型电磁振动给料机


 

 

上振型电磁振动给料机

型号 L L1 L2 L3 H H1 H2 H3 B B1 B2
GZ3S ~1730 1030 360 1000 100 ~690 ~340 89 400 ~490 518
GZ4S ~2020 1220 410 1100 120 ~865 ~400 110 500 ~620 586
GZ5S ~2260 1330 465 1200 120 ~960 ~420 129 700 ~845 761
GZ6S ~2900 1640 650 1600 150 ~1345 ~790 145 900 1020 720
GZ7S ~3230 1800 750 1800 150 ~1570 ~910 161 1100 1233 840
GZ8S ~4080 2330 850 2200 180 ~1980 ~1040 203 1300 1426 930

封闭型电磁振动给料机

型号 L L1 L2 L3 H1 H B1 B2 B
GZ1F 600 246 716 1064 410 108 250 340 375
GZ2F 800 288 903 1042 520 135 358 458 517
GZ3F 1000 300 1082 1695 520 170 464 527 585
GZ4F 1100 451 1306 1940 750 208 574 686 762
GZ5F 1200 528 1483 2190 893 255 784 761 868
GZ6F 1600 584 1684 2835 1200 265 949 720 1120

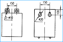
封闭型进出料口尺寸
型号 A A2 A3 B1 B2 B3 n-ΦD
GZ1F 174 2×77 120 254 3×78 200 10-Φ7
GZ2F 224 2×99 160 364 3×112 300 10-Φ11
GZ3F 286 2×126 200 486 3×152 400 10-Φ11
GZ4F 318 2×139 220 598 5×112 500 10-Φ13
GZ5F 348 2×154 240 808 6×128 700 16-Φ13
GZ6F 388 2×174 280 1008 6×178 900 16-Φ13

[FS:PAGE]


轻槽型、平槽型电磁振动给料机
 


型号 L L1 L2 L3 H H1 B B1 B2 B3
GZ5Q 1600 488 1414 2189 250 644 900 1042 761 1104
GZ6Q 1800 650 1406 2610 250 1066 1100 1257 720 1192
GZ7Q 2200 750 1738 3150 300 1240 1300 1467 840 1635
GZ8Q 2400 800 1906 3464 300 1360 1500 1672 1000 1866
GZ5Q 1200 388 1140 1815 250 647 900 1040 761 1202
GZ6Q 1400 450 1233 2366 250 1030 1100 1232 720 1292
GZ7Q 1600 500 1440 2574 250 1089 1300 1457 840 1532
宽槽型电磁振动给料机

型号 B B1 B2 B3
GZ5K1 1600 1750 900 ~1872
GZ5K2 1900 2050 100 ~2172
GZ5K3 2200 2350 1200 ~2475
GZ5K4 2500 2650 1400 ~2772
电磁振动给料机控制箱
类别 型号 样式
XZ型控制箱
XKZ-200G3
458
350
260
台式
其它
402
280
168
挂式
自动稳幅控制箱
ZWKX-I
375
255
185
台挂
ZWWX-II
360
250
160
台挂


 


南通康诚重工机械有限公司司座落在浩瀚的长江入海口北侧、绿茵如毯的江海平原上,东临黄海,南达沪杭,西通宁扬,北接盐阜、扼守苏中交通与中国最大的工业城——上海隔江相望,距大型港口城市——南通仅70余公里。境内新长铁路、宁启铁路、204国道、328国道纵横交 汇,交通条件极为便捷。公司内环境优雅、花木宜人,花园般的厂区 环境让人心旷神怡


南通康诚重工机械有限公司主要生产各种规格的矿山机械、输送机械、振动输送机 、振动给料机 、振动筛分机、仓壁振动器、板式给料机等等,公司拥有先进的设备,优秀的技术。公司经过改制、重组后,积极建立、健全和完善现代企业制度,逐步形成了一套有效、高效的运 行机制和管理模式,企业正以全新的面貌谱写康诚发展征程上新的华章。公司一直致力于产品结构的调整优化 。
   高品质的产品使南通康诚重工机械有限公司赢得了较好的市场信誉。目前,康诚机械正以体制股份化、制度规范化、运营科学化、管理现代化企业的行列;正以雄厚的实力、先进的产品、多样的品类、优质的工艺在国内同行业中异军突起,好评不断!




  南通康诚重工机械有限公司


  销售热线:0513-80686000


  电话:0513-88773999


  传真:0513-80686060


  邮箱:info@fanghuajixie.com


  地址:江苏省海安县开发区南海大道(东)8号


电磁振动给料机GZ2F
电磁振动给料机GZ2F广泛使用在冶金、煤炭、电子、机械、化工、建材、轻工、粮食等工矿企业中,在生产流程中,用于反块状、颗粒状、粉状物料从贮料仓或漏斗中定量、均匀、连续地给到受料装置中去。
电磁振动
GZ电磁振动给料机广泛使用在冶金、煤炭、电子、机械、化工、建材、轻工、粮食等行业中,在生产流程中,电磁振动给料机(震动给料机)用于把块状、颗粒状、粉状物料从贮料仓或漏斗中定量、均匀、连续地给到受料装置中去。
电磁振动给料机
电磁振动给料机广泛应用于水泥、矿山、冶金、煤炭、化工、陶瓷、粮食,电力等工矿企业中,电磁振动给料机适合把块状及粉末状物料以贮料仓或漏斗中连续均匀或定量地给到受料装置中去与电子秤或微机配料等设备配套,实现生产自动化的理想设备,也可以单独工作送料稳定
微型电磁振动给料机
微型电磁振动给料机广泛应用于轻工、化工、粮食加工、商业等行业,用于粉状、颗料状物料的给料、配料及定量自动包装等生产流程中,并可实现集中控制和自动控制。
dma电磁振动给料机
dma电磁振动给料机广泛应用于冶金、矿山、煤炭、建材、化工、电力、粮食、机械等行业,可将颗粒状、粉状物料均匀、连续、定量地送至受料装置。dma电磁振动给料机特别适用于自动配料、定量包装、生产流程自动化、给料精度要求高的场合。
微型电磁振动给料机(电磁振动给料机)
微型电磁振动给料机广泛应用于轻工、化工、粮食加工、商业等行业,用于粉状、颗粒状物料的给料、配料及定量自动包装等生产流程中,并可实现集中控制和自动控制。与其它形式给料机相比,具有体积小、选题轻、结构简单、耗电省、可无级调节给料量等特点。
电磁振动给料机(微型电磁振动给料机)
电磁振动给料机广泛应用于矿山、冶金、煤炭、建材、轻工、化工、电力、机械、粮食等各行各业中,用于把块状、颗粒状及粉状物料从贮料仓或漏斗中均匀连续或定量地给到受料装置中去。
电磁振动给料机(DMA)
DMA电磁振动给料机广泛应用于冶金、矿山、煤炭、建材、化工、电力、粮食、机械等行业,可将颗粒状、粉状物料均匀、连续、定量地送至受料装置。特别适用于自动配料、定量包装、生产流程自动化、给料精度要求高的场合。
电磁振动给料机(GZ)
电磁振动给料机广泛使用在冶金、煤炭、电子、机械、化工、建材、轻工、粮食等工矿企业中,在生产流程中,用于反块状、颗粒状、粉状物料从贮料仓或漏斗中定量、均匀、连续地给到受料装置中去。

相关资讯

与著名歌唱家宋祖英合影
与著名歌唱家宋祖英合影
到北京参加活动
到北京参加活动
与毛泽东饰演者合影
与毛泽东饰演者合影
参加著名书法家的书法展
参加著名书法家的书法展
与周恩来扮演着合影
与周恩来扮演着合影
接受央视著名主持人朱军的采访
接受央视著名主持人朱军的采访
书法展
书法展
与书法家协会主席研讨
与书法家协会主席研

给料机

给料机

输送机

振动筛

破碎机

砂石生产线

振动电机

其他设备

联系我们

服务热线:13506276000

电话:0513-80686000
        0513-88773999

传真:0513-80686060

邮箱:info@fanghuajixie.com

地址:江苏省海安县开发区南海大道(东)8号

振动给煤机

带式给料机

卧式振动电机

细碎制砂机

南通康诚重工机械有限公司   地址: 江苏省海安县开发区南海大道(东)8号 网址: //fanghuajixie.com

电话:0513-80686000  88773999 传真:0513-80686060

 联系人: 吴先生 13506276000(24小时服务热线) E-mail:info@fanghuajixie.com 技术支持:天正企划

分享到: